This website requires JavaScript.
Explore
Help
Register
Sign In
taigrr
/
arduinolibs
Watch
1
Star
0
Fork
0
You've already forked arduinolibs
mirror of
https://github.com/taigrr/arduinolibs
synced
2025-01-18 04:33:12 -08:00
Code
Issues
Projects
Releases
Wiki
Activity
arduinolibs
/
libraries
/
RTC
/
examples
/
AlarmClock
/
alarm_circuit.png
Rhys Weatherley
08ba3a7d0f
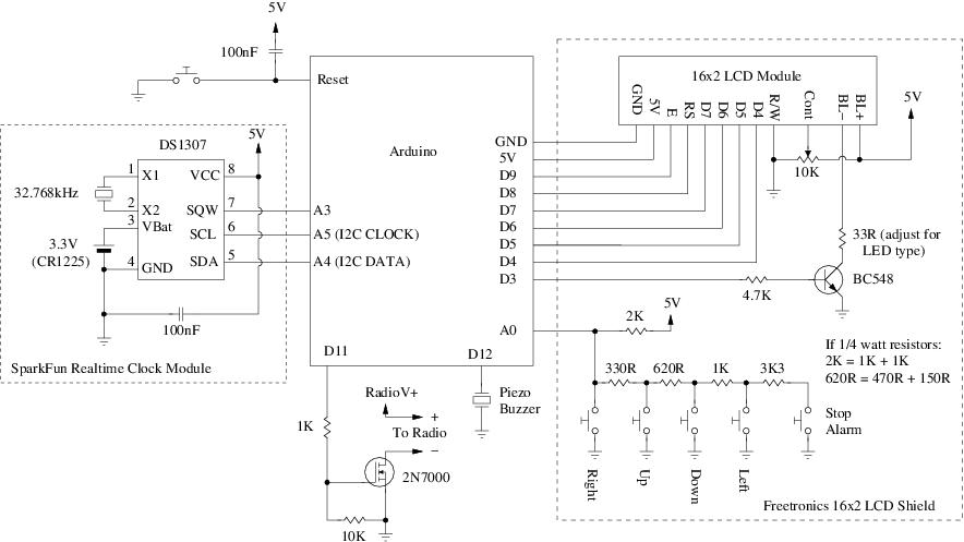
Use a MOSFET to control the radio
2012-06-16 11:25:22 +10:00
39 KiB
884x497px
Raw
History