This website requires JavaScript.
Explore
Help
Register
Sign In
taigrr
/
arduinolibs
Watch
1
Star
0
Fork
0
You've already forked arduinolibs
mirror of
https://github.com/taigrr/arduinolibs
synced
2025-01-18 04:33:12 -08:00
Code
Issues
Projects
Releases
Wiki
Activity
arduinolibs
/
libraries
/
I2C
/
eeprom_circuit.png
Rhys Weatherley
41b9b3da39
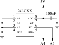
Support for 24LCXX EEPROM's via I2C
2012-06-12 11:28:10 +10:00
4.9 KiB
203x156px
Raw
History